Product Specifications

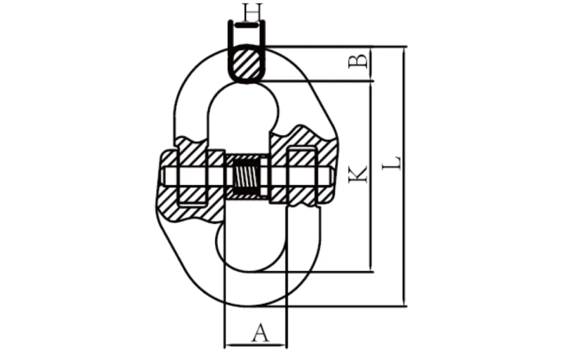
G80 EUROPEAN TYPE CONNECTING LINK | ||||||||
SIZE | WEIGHT | WLL | B.L | A | B | L | K | H |
MM | KG/PC | TON | TON | MM | MM | MM | MM | MM |
6 | 0.08 | 1.12 | 4.48 | 15 | 7.5 | 58 | 42 | 7 |
7 | 0.145 | 1.5 | 6 | 19 | 8.5 | 71.8 | 54.8 | 8.5 |
7/8 | 0.146 | 2 | 8 | 18 | 9.5 | 79.5 | 60.5 | 8.5 |
8 | 0.16 | 2 | 8 | 19.5 | 9.5 | 79.5 | 60.5 | 8.5 |
10 | 0.3 | 3.15 | 12.6 | 25 | 12 | 90.5 | 68 | 11.5 |
13 | 0.7 | 5.3 | 21.2 | 29 | 15 | 117 | 87 | 15 |
16 | 1.1 | 8 | 32 | 34.5 | 19.8 | 148 | 108.4 | 19.8 |
18 | 1.84 | 10 | 40 | 38 | 21 | 154 | 112 | 21 |
18/20 | 1.8 | 12.5 | 50 | 41 | 24 | 169.5 | 121.5 | 24 |
22 | 3.2 | 15 | 60 | 48 | 26 | 193.5 | 141.5 | 26 |
26 | 4.5 | 21.2 | 84.8 | 57.5 | 31 | 220 | 158 | 30 |
32 | 9 | 31.5 | 126 | 67 | 38 | 281 | 205 | 37 |
Products Diagrams

The G80 European Type Connecting Link features perfectly aligned coupling jaws and internal support webs that are precisely cast and finished. This highlights the streamlined load-bearing channel and the consistent internal radii, maximizing material strength and ensuring the secure seating of adjoining chain links and fittings.
Examine the robust, symmetrical construction, revealing the seamless weld-free body and the clearly defined pin channels. The forged alloy steel contours and uniform thickness across all load points affirm its high structural integrity and resistance to deformation under the Grade 80 working load limits.
Material Specification
-
Grade: G80, high-strength lifting grade for heavy-duty applications.
-
Finish: Powder-coated or galvanized surface for superior corrosion resistance.
-
Attachment: Connects chains, hooks, or master links with secure pin locking.
-
Hook Type: European type, designed for compatibility with G80 rigging systems.
-
Material: Premium alloy steel, heat-treated for durability and load-bearing safety.
Application

Construction Industry
Safely connects lifting chains for hoisting materials on building sites.

Marine & Offshore
Provides reliable load transfer in harsh saltwater environments.

Mining Industry
Ensures secure attachment for heavy-duty lifting in rugged conditions.
Advantages
Corrosion & Finish Protection
Coated surface resists rust for long-lasting outdoor applications.
Customization & Traceability
Available with size variations and stamped batch codes.
Load Control & Durability
Maintains safe performance under high-stress lifting operations.
Bulk Capacity & Lead Time
Large stock ensures fast delivery for wholesale orders.
Supporting Products

Grade 80 Alloy Chain
Heavy-duty chain designed for safe lifting and secure attachment with connecting links.

G80 Eye Sling Hook
Compatible hook for attaching slings and connecting links in rigging systems.

G80 Master Link Assembly
Provides strong central connection point for chains, links, and multiple rigging attachments.
FAQ
What is a G80 European Type Connecting Link used for?
A G80 European Type Connecting Link is used to join lifting chains, hooks, or master links securely. It ensures a reliable connection in rigging systems across construction, marine, and mining applications. Its G80 grade guarantees high strength and safety.
Is this connecting link safe for overhead lifting?
Yes, it is manufactured from G80 alloy steel, which is rated for overhead lifting applications. Each link is tested and certified to meet international lifting standards, giving you confidence in safety and performance.
How do I know the right size of connecting link to choose?
The right size depends on the diameter of your lifting chain or hook. Manufacturers provide size charts with load capacities. Choosing the correct size ensures proper fit, safe working load, and system efficiency.
Does the link resist corrosion in marine environments?
Yes, it features a protective finish, such as powder coating or galvanization, which prevents rusting and ensures long service life even in offshore and marine environments with exposure to saltwater.
Can the connecting link be customized for my project?
We offer customized sizes, finishes, and load ratings to fit your project requirements. Custom batch markings are also available to support traceability and compliance with safety standards.
Free Quote
Contact us for product details, pricing or technical support. Just send an email and we’ll respond immediately with an accurate and complete solution.