/
/
Barge Chain

Barge Chain

Powerful Machinery’s barge chain is engineered for strength and durability, crafted from high-quality materials like alloy steel and galvanized steel. Designed specifically for mooring and securing barges, it is resistant to corrosion and harsh water conditions. Our chains are certified for safety and performance, ensuring reliable operation in critical applications. We offer customization services for length and specifications, tailored to meet your unique needs with precision.
barge chain

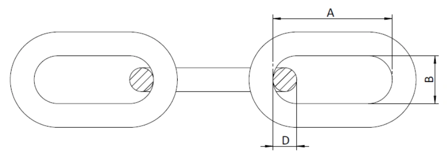
DIAGRAMS of BARGE CHAIN​

barge chain​s

PRODUCT SPECIFICATIONS

SIZEABMBLWeight
mmmmlbskg/pc
1″ x 6links12751550009
1″ x 6links12751800009
1″ x 8links127515500012
1″ x 8links127518000012

DESIGN of BARGE CHAIN

MATERIAL

FINISH

APPLICATION

INSTRUCTIONS & CAUTIONS

WORKING LOAD LIMITS: This is the maximum load a chain should ever handle, even when it’s new and the load is evenly distributed along a straight, untwisted length. The “working load limit” doesn’t reflect the load the chain could potentially endure if conditions like wear, twisting, misuse, overloading, or corrosion are introduced. These factors can reduce the chain’s strength, so regular inspections are crucial to ensure safety.

PROOF TEST: This is the load a chain undergoes before leaving the factory. The chain is tested under direct tension in a straight line at a consistent speed using a standard testing machine. The purpose of this test is to identify any material or manufacturing defects.

All anchor chains are proof tested. When using attachments like hooks or rings, make sure they match the chain’s grade, type, and size for proper load-bearing performance.

OUR ADVANTAGES

edit

Tailored Customization

We provide custom barge chains to fit your specific needs. Whether it’s size, material, finish, or strength grade, we’ve got you covered. This flexibility makes our chains ideal for everything from industrial to agricultural and marine applications.

Built to Last

Our chains are made from high-quality materials like alloy steel, designed to perform under tough conditions. They resist corrosion, handle heavy use, and keep working long-term, no matter how demanding the environment.

Industry-Approved

All our chains are made to meet relevant certifications, so you can trust their safety and reliability. We ensure that every chain performs to the highest specifications, keeping you compliant with industry regulations.

Great Value with Bulk Discounts

Get the best value for your money with our competitive pricing and bulk discounts for large orders. We make sure you get a great deal without compromising on the quality of our barge chains.

FAQ

What is a Barge Chain?

A barge chain is a high-strength chain used for mooring and securing barges in waterways. Made from durable materials like galvanized steel or alloy steel, these chains ensure safety and reliability when handling barges in rivers, lakes, or ports. Designed to resist corrosion and wear, barge chains are essential for maintaining stable and secure mooring systems, even in harsh water conditions.

  1. Regular Inspections: Inspect the chain regularly to check for signs of wear, corrosion, or damage, ensuring optimal performance and safety.

  2. Clean Periodically: Clean the chain with fresh water to remove salt buildup and debris, which can affect its performance.

  3. Apply Rust Inhibitor or Lubricant: Use a rust inhibitor or chain lubricant to maintain corrosion resistance and improve the chain’s lifespan.

  4. Proper Storage: Store the chain properly when not in use to prevent unnecessary wear and keep it in good condition.

  5. Ensure Safe Operations: Regular maintenance ensures that the chain remains in excellent condition, guaranteeing safe and efficient use in mooring systems.

 
 

Yes, we offer customization services for barge chains. Whether you need a specific length, thickness, or material type, we can tailor the chain to meet your needs. Customization ensures the chain fits perfectly with your mooring system and application, providing optimal performance. We can also customize the finish, including options like hot-dip galvanizing, to ensure durability in specific environments.

Our barge chains are built with safety as a top priority. They are made from certified materials like galvanized steel, which are tested for strength, corrosion resistance, and durability. Each chain undergoes rigorous inspections to ensure it meets industry standards. By choosing a certified barge chain, you ensure a safe and reliable mooring system that will keep your barges secure in all conditions.

Yes, barge chains are specifically designed for heavy-duty applications. They are capable of handling large loads, such as mooring barges or securing large vessels in water. Made from high-strength materials like alloy steel, these chains provide reliable and safe performance under heavy tension and extreme conditions. Their durability ensures that they will stand up to demanding tasks year after year.

  • Connect to Mooring Point: Attach one end of the barge chain to the mooring point on the barge or vessel.

  • Secure to Dock, Buoy, or Anchor: Attach the other end of the chain to a dock, buoy, or anchor point for stable mooring.

  • Use Multiple Chains for Extra Security: Depending on the size and weight of the vessel, consider using multiple chains for added security.

  • Tighten the Chain Properly: Ensure the chain is properly tightened to prevent slack and ensure secure mooring.

  • Inspect for Wear: Always inspect the chain for any signs of wear before use to guarantee a safe installation and prevent accidents.

Barge chains are essential for ensuring the safety of your vessels. By securely anchoring barges to docks or other fixed points, these chains prevent drifting or accidental movement, reducing the risk of collisions or damage. The strength and corrosion resistance of the chains help ensure that they can handle extreme conditions, offering a secure and safe mooring solution that prevents accidents and protects valuable assets.

Choosing a certified barge chain ensures that you are using equipment that meets industry standards for safety, durability, and performance. These chains undergo rigorous testing to verify their strength and resistance to environmental factors, ensuring that they can withstand demanding conditions. With a certified barge chain, you gain peace of mind knowing that your mooring system is reliable and safe.

Related Products

Get in touch
Download Product Catalog

After downloading the product catalogue, our dedicated technical experts will provide you with one-on-one service.