/
/
D Rings With Wraps

D Rings With Wraps

These heavy-duty D Rings With Wraps provide strong and reliable tie-down points for securing loads in trailers, trucks, and equipment. Forged from solid steel with a welded mounting bracket, they ensure superior strength, stability, and safety for industrial transport and rigging applications.
d rings with wraps

Product Specifications

d rings with wraps factory
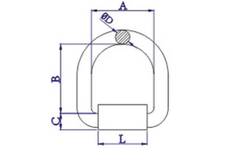
SIZEWEIGHTB.LABCDL
IN.KG/PCTONMMMMMMMMMM
1/2″0.435.457.263.5161345
5/8″0.858.276.276.2221663
3/4″1.251276.276.225.41963
1″1.9121.376.276.230.825.464
1″2.1521.376.2101.630.825.464

Products Diagrams

d rings with wraps manufacture

The D Ring is forged from a single piece of high-tensile steel with no seams, ensuring consistent strength under heavy loads. The welded wrap bracket allows secure mounting on flat or curved surfaces, making it adaptable for trailers, trucks, and lifting assemblies.

This D Ring With Wrap is engineered to offer superior load security. Its smooth ring curvature prevents damage to ropes or straps, while the reinforced base plate ensures tight and stable anchoring even under vibration, shock, or rugged outdoor working conditions.

Material Specification

Grade:
Manufactured from high-tensile forged steel for maximum load-bearing performance and extended service life under heavy-duty conditions.

Finish:
Zinc-plated or hot-dip galvanized finish provides superior resistance to rust and corrosion in marine or outdoor environments.

Attachment:
Comes with a welded mounting bracket for easy installation on trailers, trucks, or flatbeds, ensuring a permanent and secure connection.

D Rings With Wraps Type:
Available in standard, recessed, and heavy-load wrap designs, suitable for general tie-down or lifting use in multiple industries.

Material:
Made from premium carbon or alloy steel, offering a balance of strength, toughness, and reliable performance in harsh environments.

Application

Construction Industry

Ideal for securing machinery, tools, and building materials on transport vehicles, ensuring safe and stable load handling across construction sites.

Marine & Offshore

Used for anchoring equipment and cargo on ships and docks, providing dependable performance against saltwater corrosion and dynamic load stress.

 

Mining Industry

Essential for heavy load restraint in mining vehicles and rigs, maintaining stability and safety in rough terrains and high-impact operations.

Advantages

Corrosion & Finish Protection

Zinc or galvanized coating protects the D Rings With Wraps from rust, extending their service life even in humid or marine environments.

Customization & Traceability

Available in custom dimensions and finishes, each product batch is traceable for consistent quality assurance and industrial certification compliance.

Load Control & Durability

Forged solid steel body provides superior strength and load stability, preventing deformation or breakage during heavy-duty hauling or lifting.

Bulk Capacity & Lead Time

We handle high-volume production with efficient delivery times, ensuring that wholesalers and OEM buyers get reliable supply for continuous operations.

What Our Clients Say

FAQ

What are D Rings With Wraps used for?

They are used as fixed anchor points for securing heavy loads in trailers, trucks, and machinery. The welded wrap base allows for strong attachment, making them ideal for transportation, construction, and marine use.

 

 

 

We provide custom D Rings With Wraps based on size, load capacity, and surface finish requirements. OEM and ODM services are available for bulk buyers.

 

 

 

Yes, they feature zinc or galvanized finishes that protect against moisture, chemicals, and salt exposure. They maintain strength and appearance even under challenging outdoor or marine conditions.

 

 

 

Depending on the model and size, our D Rings With Wraps support various working load limits. We provide full technical data sheets upon request for accurate specifications.

 

 

 

 

Weld the wrap bracket directly onto the trailer or surface. Ensure the weld is even and deep enough for maximum load security and stability under operation.

 

 

 

 

 

Yes, we ship globally and provide competitive pricing for wholesalers and distributors. Our logistics partners ensure timely delivery with clear export documentation.

 

 

 

 

 

Free Quote

Contact us for product details, pricing or technical support. Just send an email and we’ll respond immediately with an accurate and complete solution.

Related Products

Get in touch
Download Product Catalog

After downloading the product catalogue, our dedicated technical experts will provide you with one-on-one service.