/
/
G80 Web Sling Connector

G80 Web Sling Connector

The G80 Web Sling Connector is crafted from high-grade Grade 80 alloy steel for maximum strength and durability. Designed specifically for use with synthetic slings, it meets EN818-2 standards and undergoes rigorous testing, including a 2.5x Working Load Limit proof test and 20,000 fatigue cycles. With a powder-coated finish in red (RAL3020), this connector ensures long-lasting, reliable performance in heavy-duty lifting tasks.
web sling connector

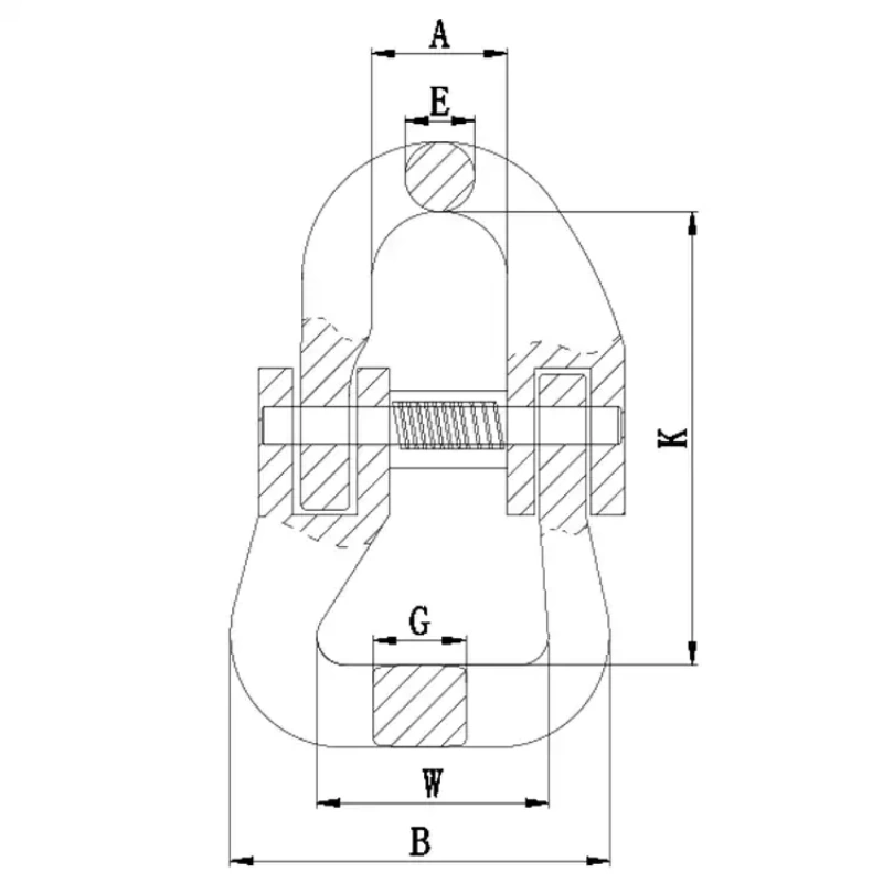
WEB SLING CONNECTOR DIAGRAM

g80 web sling connector diagram

WEB SLING CONNECTOR SPECIFICATIONS

Item No.Size (mm)N.W. (kg)WLL (T)Dimension (mm)
A±1.5B±2K±2W±2G±1E±1
HH19-66-80.21.1215605640187
HH19-7/87/8-80.322061.563.740249.5
HH19-1010-80.683.152466833930.511
HH19-1313-81.475.3288893.75536.816.5
HH19-1616-82.3834.510812065.545.219.8
HH19-2020-83.312.5411291388051.823
HH19-2222-86.8915501911801267026
HH19-2626-810.6221.258228.4209.51523230
HH19-3232-818.9231.572.52522791609155

WEB SLING CONNECTOR INFORMATION

Material & Construction

  • Forged from Grade 80 alloy steel, providing superior strength and reliability.

  • Quenched and tempered for increased toughness and long-lasting performance.

Safety & Testing

  • Individually proof-tested at 2.5 times the Working Load Limit (WLL).

  • Fatigue tested at 1.5 times the WLL for 20,000 cycles to ensure durability.

  • Undergoes breakage tests and 100% magnaflux crack detection for quality assurance.

  • All load pins are individually inspected and tested.

Compatibility & Standards

  • Suitable for web slings and G80 chains (compliant with EN818-2).

  • Designed specifically for synthetic slings, making it a reliable choice for modern lifting setups.

Surface & Finish

  • Powder-coated finish for superior corrosion resistance.

  • Color-coded in red (RAL3020) or yellow (RAL1003) for easy identification.

Spare Parts

Galvanized sleeve and black pin available upon request for easy replacement.

INSTRUCTIONS & CAUTIONS

Only Use by Trained Professionals

The G80 Web Sling Connector is intended solely for use by trained professionals. It’s crucial that those handling the connector are well-versed in rigging and lifting equipment. Improper use can lead to severe accidents or even fatalities. Ensure your team is fully qualified before using this connector in any lifting operation.

Strictly Follow the Working Load Limits (WLL)

Never exceed the Working Load Limit (WLL) of the G80 Web Sling Connector. Overloading the connector can result in failure and serious accidents. Always verify the load doesn’t surpass the rated capacity to maintain a safe and secure lifting process. Regularly monitor the load limits for safety assurance.

Perform Routine Inspections

Prior to each use, inspect the G80 Web Sling Connector for any signs of damage, wear, or corrosion. Any defective equipment should be immediately removed from service. A thorough inspection before use helps prevent unsafe lifting operations and ensures that the connector performs reliably when needed.

Proper Storage and Maintenance

After use, always store the G80 Web Sling Connector in a dry, clean place to avoid rust and corrosion. Regularly clean it to maintain optimal function, and ensure it’s not exposed to extreme temperatures or harsh chemicals. Proper maintenance will extend the life of the connector and help avoid future safety risks.

OUR ADVANTAGES

edit

Custom-Engineered Solutions

We offer custom-engineered solutions designed to meet your unique business needs. Whether you require product modifications or specialized features, our team works with you to deliver tailored lifting equipment that enhances efficiency and productivity. Get equipment built specifically for your operational requirements.

One-Stop Sourcing Solution

We simplify your procurement process by offering a one-stop sourcing solution. Whether you need a range of lifting equipment or specific parts, Powerful Machinery has you covered. This saves you time, reduces complexity, and ensures you get exactly what you need from a single trusted supplier.

Commitment to Quality & Safety

At Powerful Machinery, we focus on delivering high-quality, safe lifting equipment that meets industry standards. Each product undergoes rigorous testing to ensure it’s ready for the toughest jobs. Our dedication to safety and reliability minimizes risks and ensures your lifting operations stay efficient and secure.

Reliable After-Sales Service & Support

Our commitment to service doesn’t stop after the sale. Powerful Machinery provides reliable after-sales support, ensuring your equipment continues to perform at its best. Whether you need technical assistance or product maintenance, our team is ready to help you minimize downtime and maximize your equipment’s lifespan.

FAQ

A G80 Web Sling Connector securely connects web slings to lifting equipment, enabling safe and efficient lifting operations. Made from high-strength Grade 80 alloy steel, it’s ideal for handling heavy loads in demanding environments. Whether for construction, manufacturing, or logistics, it provides a reliable connection to ensure lifting tasks are performed safely.

  • Attach Properly: Ensure the G80 Web Sling Connector is securely attached to both the web sling and the lifting hook.

  • Check Load Limits: Verify that the load does not exceed the Working Load Limit (WLL) specified for the connector.

  • Inspect for Damage: Always inspect the connector for wear, cracks, or any signs of damage before each use.

  • Ensure Secure Fastening: Confirm that the connector is tightly fastened and properly engaged to prevent failure during operation.

  • Follow Safety Practices: Adhere to standard lifting safety guidelines and best practices to maintain safe and efficient lifting operations.

Yes, replacement parts such as galvanized sleeves and black pins are available for the G80 Web Sling Connector. If any part of the connector becomes damaged or worn out, replacing it with original parts ensures safe and continued use. Always use compatible replacement parts to maintain performance.

  • Contact Our Sales Team: Reach out to our sales team to discuss your specific needs and requirements.

  • Specify Quantities & Customizations: Provide details on the quantity you require and any customization options you may need.

  • Competitive Pricing: Benefit from our competitive pricing and high-quality G80 Web Sling Connectors.

  • Fast Delivery: Enjoy fast delivery to ensure your equipment arrives on time for your lifting operations.

  • Place Your Order: Get in touch today to secure the right G80 Web Sling Connectors for your lifting tasks.

Related Products

Get in touch
Download Product Catalog

After downloading the product catalogue, our dedicated technical experts will provide you with one-on-one service.