DIAGRAMS of G80 Chain
Grade 80 Chain Specs
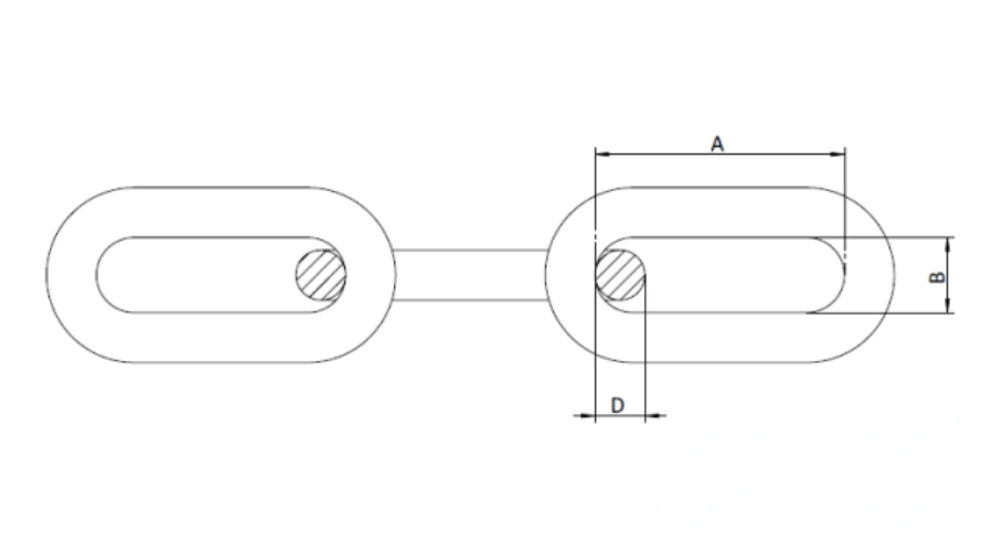
| SIZE | A | B | MBL | WEIGHT |
| MM | MM | MM | TON | KG/M |
| 9 | 57 | 16 | 10.2 | 1.5 |
| 11 | 66 | 18 | 15.4 | 2.1 |
| 13 | 80 | 23 | 21.4 | 3 |
| 16 | 100 | 26 | 32 | 4.4 |
| 19 | 100 | 28 | 45 | 6.5 |
| 20 | 100 | 30 | 50 | 7.3 |
| 22 | 120 | 32 | 60 | 8.5 |
DESIGN of GRADE 80 CHAINS
GRADE
- 80
FINISH
- Black Thermadep
STANDARDS
- Meets or exceeds OSHA, Government, NACM, and ASTM specification requirements
HEAT TREATMENT
- Quenched and tempered before proof testing
ORIGIN
- Made in China
APPLICATION
- Overhead Lifting
MATERIAL
- Special analysis alloy steel
FAQ of G80 Chains
What is Grade 80 chain?
Grade 80 chain is a heat-treated alloy steel lifting chain designed for overhead lifting and critical load handling. You choose Grade 80 chain when lifts demand strength, durability, and controlled elongation. This chain grade supports cranes, hoists, and chain slings across heavy industries. Manufacturing control over alloy composition and heat treatment gives you predictable working load limits and repeatable performance. You gain confidence because each link handles stress without distortion during real lifting cycles.
What defines Grade 80 chain
-
Alloy steel construction
-
Heat-treated strength
-
Overhead lifting approval
-
Marked grade identification
-
Controlled elongation behavior
Grade 80 Chain Working Load Limit
The working load limit defines the maximum load Grade 80 chain can handle during normal lifting operations. You rely on this value to plan safe lifts and protect equipment and crews. Manufacturers calculate working load limits based on material strength, link size, and safety margins. You must match chain size to total load weight and sling configuration to stay within rated limits. Exceeding limits increases risk and shortens chain life.
What affects working load limit
-
Chain diameter
-
Sling angle
-
Number of legs
-
Load movement
-
Shock loading
What is the G80 chain rating?
The G80 chain rating identifies the chain as Grade 80 lifting chain suitable for overhead use. You read this rating on stamped markings that show grade and size. The rating confirms that the chain meets strength and performance requirements for lifting operations. Manufacturers proof test and break test chains to ensure rating accuracy. You depend on this rating to align chain performance with hoists and fittings.
What the rating tells you
-
Approved lifting grade
-
Compatible fittings
-
Rated working load
-
Traceable production
-
Safety compliance
How strong is Grade 80 chain?
Grade 80 chain delivers high tensile strength with controlled flexibility. You lift heavier loads using smaller chain sizes compared to lower grades. Manufacturing precision ensures each link shares load evenly during lifting. Strength consistency matters because uneven performance causes premature failure. You gain long service life when strength stays uniform across the chain length.
Strength characteristics
-
High tensile capacity
-
Stable elongation
-
Strong fatigue resistance
-
Reliable shock handling
-
Uniform link performance
Grade 70 vs Grade 80 chain: what is the difference?
Grade 70 chain serves load binding and transport tasks. Grade 80 chain supports overhead lifting. You must never replace Grade 80 chain with Grade 70 chain for lifting because Grade 70 lacks required strength and testing. Manufacturing standards separate these grades by material and heat treatment. Choosing the correct grade protects safety and compliance.
-
Grade 70 for tie-down use
-
Grade 80 for lifting use
-
Higher strength in Grade 80
-
Different markings
-
Different safety expectations
Grade 80 vs Grade 100 Chain: How Do They Compare?
Grade 100 chain offers higher strength than Grade 80 chain at the same size. You select Grade 100 when weight reduction or higher capacity matters. Grade 80 remains widely used due to cost efficiency and broad compatibility. Manufacturers support both grades to match different lifting strategies.
-
Higher capacity in Grade 100
-
Broader availability in Grade 80
-
Compatible fittings differ
-
Cost varies by grade
-
Application choice drives selection
How do you select the right Grade 80 chain size?
Chain size selection requires accurate load calculation and sling geometry review. You must consider total load weight and lifting angles. Manufacturers provide load charts so you match diameter to real conditions. Incorrect sizing creates excess stress and shortens chain life.
Selection criteria
-
Total load weight
-
Sling angle
-
Lift frequency
-
Environmental exposure
-
Equipment compatibility
How should Grade 80 chain be inspected?
Inspection keeps lifting operations safe and predictable. You inspect Grade 80 chain before use and during service. Visual checks reveal wear, cracks, and elongation. Manufacturer markings help verify grade and size during inspections. Immediate removal prevents accidents.
Inspection focus
-
Link deformation
-
Surface cracks
-
Excessive wear
-
Heat discoloration
-
Missing markings
What is the Chemical Composition of Grade 80 Chain?
Grade 80 chains are typically made from an alloy steel that contains a combination of carbon, manganese, silicon, and a small amount of other elements like phosphorus and sulfur. The steel is heat-treated to improve its strength and durability. The chemical composition plays a vital role in providing the chain with high tensile strength and resistance to wear and fatigue, making it suitable for heavy-duty lifting and hoisting applications.
What Are the Material Properties of Grade 80 Chain?
Grade 80 chains are manufactured from high-quality alloy steel, which is heat-treated for enhanced strength and toughness. The material properties include:
- High tensile strength: These chains can handle heavy loads and resist deformation under stress.
- Enhanced fatigue resistance: The alloy composition gives the chain durability, allowing it to endure repeated cycles of loading and unloading.
- Corrosion resistance: Many Grade 80 chains come with coatings or finishes to prevent rust and extend their service life.
These properties make Grade 80 chains ideal for lifting, rigging, and securing heavy loads in various industries.
How can I identify Grade 80 chain?
Identifying Grade 80 chain is essential for ensuring that you’re using the right chain for heavy-duty lifting and hoisting applications. Here’s how you can easily recognize a Grade 80 chain:
- Markings: Grade 80 chains are stamped with the “G80” mark on each link, indicating their grade and strength.
- Distinctive Golden Color: These chains often have a golden color, a result of the alloy steel and heat treatment process used in manufacturing.
- Visual Difference from Other Chains: The golden color and the “G80” marking help distinguish Grade 80 chains from other chains like Grade 70 or Grade 100.
- Check the Markings: Always verify the “G80” stamp to confirm the chain is Grade 80, ensuring it is suitable for heavy-duty lifting tasks.
What Letter is Used to Mark Grade 80 Chain?
Grade 80 chains are marked with a “G” followed by the number “80,” which indicates their strength and grade. This marking signifies the chain meets specific standards for tensile strength and is suitable for lifting applications. It helps differentiate Grade 80 chains from other grades like Grade 70 or Grade 100.
Are Grade 80 Chains Required for General Industry?
While Grade 80 chains are not required by law in all industries, they are highly recommended in sectors where heavy lifting and hoisting are frequent. Grade 80 chains are ideal for construction, warehousing, and manufacturing because of their durability and ability to handle significant loads. They’re commonly preferred for their reliability and safety in heavy-duty applications.
Can a Grade 80 Chain Be Cut?
Yes, you can cut a Grade 80 chain, but due to its high tensile strength, you’ll need specialized tools. Tools like heavy-duty chain cutters, plasma cutters, or oxy-acetylene torches work best for cutting. When cutting, make sure to use appropriate safety gear and techniques to avoid damage to the chain or injury.
How Do You Cut a Grade 80 Chain?
To cut a Grade 80 chain:
- Secure the chain firmly in a vice or clamp.
- Use a cutting tool designed for high-strength steel, such as a plasma cutter, chain cutter, or oxy-acetylene torch.
- Wear protective equipment, including gloves and safety goggles.
- After cutting, inspect the ends for burrs or rough edges and smooth them down to avoid injury.
Always follow safety procedures when cutting heavy-duty chains.
Can Grade 80 Chain Be Used for Overhead Lifting?
Absolutely. Grade 80 chains are designed for overhead lifting and hoisting due to their high tensile strength and resistance to wear. They are commonly used in cranes, hoists, and lifting equipment. Just ensure you stay within the working load limit (WLL) to avoid overloading the chain, which could lead to failure or accidents.
What is the Yield Strength of Grade 80 Chain?
The yield strength of Grade 80 chain usually sits around 60,000 psi, which is the stress level at which the chain starts to deform permanently. While it’s lower than the tensile strength, it’s still robust enough for heavy-duty applications. It’s critical to stay within the working load limit (WLL) to prevent reaching the yield point, which could compromise the chain’s safety.
What is the Safety Factor of Grade 80 Chain?
Grade 80 chains typically come with a safety factor of 4:1. This means the chain is built to handle four times the working load limit before failing. This safety factor provides an added margin of safety for lifting, rigging, and hoisting operations, ensuring that the chain can withstand unexpected or shock loads without breaking. Always respect the WLL to maintain safety standards.